By: Suchin Suachoi
your WebMaster
ไดร์ฟที่เราคุ้นเคยและพบเห็นทั่วไปในอุตสาหกรรมส่วนใหญ่จะเป็น Standard drive หรือบางทีก็อาจเรียกว่า stand alone drives /VFD / VSD

ไดร์ฟแต่ละยูนิตมีภาคกำลัง( Power Circuit ) ซึ่งประกอบไปด้วยวงจร Recifier , DC LinK และ Inverter ประกอบรวมกันเป็นเพ็จเกจมาตรฐานดังรูป ( รายละเอียดและหลักการทำงานของวงจรกำลังแต่ภาค สามารถติดตามได้จากลิงค์นี้ ==> Inverter )

Multidrives รูปร่างหน้าตาเป็นอย่างไร ?
Multidrives คือไดรฟ์ที่มีหลักการทำงานพื้นฐานเช่นเดียวกับไดร์ฟอุตสาหกรรมดังที่กล่าวมาข้างต้น แต่จะต่างที่โครงสร้างของภาคจ่ายกำลังไฟฟ้า กล่าวคือมัลติไดร์ฟ ( Multidrive ) จะแยกวงจรภาคกำลังออกเป็นโมดูล เช่น Rectifier Module , Chopper modele และ Inverter module
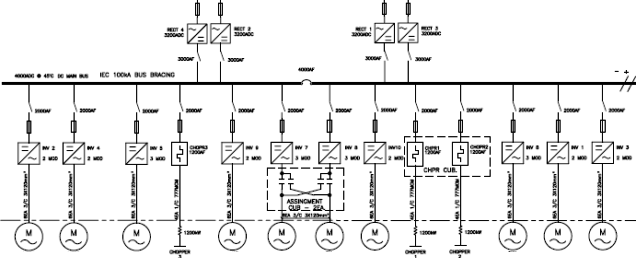
ในการใช้งานทั่วไป มัลติไดร์ฟจะใช้ดีซีบัส (DC BUS) และวงจรเรียงกระแสที่ทำหน้าที่แปลงแรงดันไฟฟ้ากระแสสลับเป็นกระแสตรงร่วมกัน หรือเรียกทับศัพท์ว่า "Common DC bus" ดังรูป

ตัวอย่าง ABB ACS800 (Multidrives)

รูปตัวอย่างการใช้งานของมัลติไดร์ฟทั่วๆไป
จากตัวอย่างดังรูปด้านบนจะเห็นว่า โปรเจ็คนี้จะใช้ชุดแปลงแรงดันไฟฟ้ากระแสสลับเป็นกระแสตรง 4 โมดูล ส่วนด้านเอาท์พุทก็จะต่อร่วมกัน ซึ่งเรียกว่า "Common DC bus"
ส่วน Inverter Module ที่ใช้สำหรับใช้ในการควบคุมความเร็ว (speed ) และแรงบิด (Torque ) AC motor ก็จะต่อหรือแท๊ปจากดีซีบัส ซึ่งสามารถนับไปขับเคลื่อนมอเตอร์ได้หลายตัว
ส่วน Chopper module ที่ทำหน้าที่ป้องกันแรงดันเกินในวง DC Link ก็เช่นเดียวกัน ก็จะต่อเข้ากับดีซีบัส ดังรูป
การประยุกต์ใช้งาน
มัลติไดร์ฟ (เท่าที่เห็นจากประสบการณ์) ส่วนใหญ่จะประยุกต์ใช้ในการขับเคลื่อนมอเตอร์ขนาดใหญ่ๆ เช่นในระบบเครนท่าเรือ ระบบขับเคลือนเรือสินค้าทางทะเล และ ควบคุมแท่นอุปกรณ์ขุดเจาะน้ำมันบนแท่นเจาะน้ำมันเป็นต้น
ข้อดี
มัลติไดร์ฟออกแบบแยกเป็นโมดูลย่อย ทำให้โครงสร้างดูง่ายและสะดวกต่อการติดตั้ง ลดระยะเวลาในการติดตั้ง ประหยัดค่าติดตั้ง,ค่าสายเคเบิล ,ค่าบำรุงรักษา ลดกระแสในไลน์ (reduced line currents) และอื่นๆ