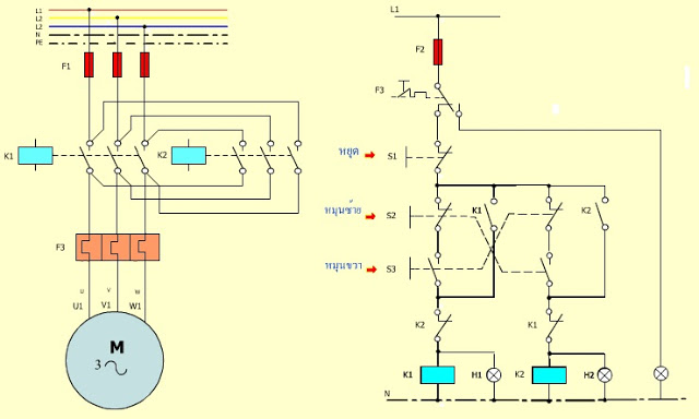
ภาพแสดงการกลับทางหมุนของมอเตอร์ 3 เฟส
(สลับเฟสของกระแสไฟฟ้าที่จ่ายให้มอเตอร์คู่ใดคู่หนึ่ง)

ภาพแสดง ลักษณะดรัมสวิตซ์ที่ใช้ในการควบคุมการกลับทางหมุนของมอเตอร์ 3 เฟส
(เมื่อมีการหมุนสลับ ภายในจะมีการสลับเฟสกระแสไฟฟ้าที่จะไปจ่ายให้กับมอเตอร์)
.jpg)

แบบกลับทางหมุนหลังจากหยุด (Reversing after stop)

========================================================