



![]() |
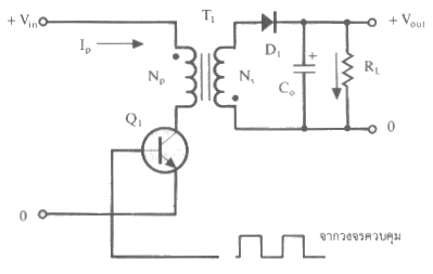
Forward Converter
|
![]() |
Push - Pull Converter
|
![]() |
Half - Bridge Converter
|
![]() |
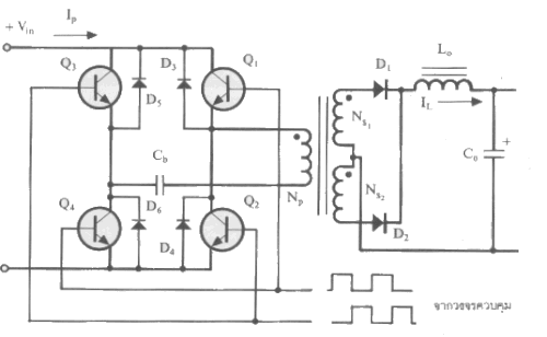
Full - Bridge Converter
|
========================================================