e-Industrial Technology Center
About us
|
Guest Book
|
Contact us
|
Advertise
Send Your Friends
Set As Homepage
Bookmark
Home
Member
News
Articles
E-Industry Directory
Knowledge Center
Engineering Dictionary
Jobs
Webboard
Poll
Industrial news
PR, Events, Seminar & Training
Techno. & Innovation.
Energy News
Product Highlight
FunnyTech.
Engineering Video
Electrical Power
Automation & Control
Motor Control & Drives
Electronics & Telecom
Industrial (cnc,cad/cam/cae)
Mechanical
Petrochemical,Oil & Gas
Civil & Architect
Logistic engineering
Nice to Know
Others
English Articles
Fundamental
E-learning
Engineering Reference
Job Search
Resume Search
Search
- - - - - - - - - เลือกหมวดหมู่ - - - - - - - - -
Webboard
Top 50 Popular Supplier
1
100,000D_อินเวอร์เตอร์
178,014
2
100,000D_มิเตอร์วัดไฟฟ้า
175,149
3
100,000D_อุปกรณ์ไฟฟ้าและอิเลคทรอนิกส์
174,491
4
100,000D_เครื่องมือช่าง
174,378
5
100,000D_เอซีมอเตอร์
171,775
6
100,000D_ดีซีมอเตอร์
170,887
7
100,000D_อุปกรณ์แคมป์ปิ้ง
169,784
8
100,000D_เครื่องดื่มและสมุนไพร
169,185
9
เคอีบี (KEB ) ประเทศไทย
162,890
10
100,000D_เครื่องใช้ไฟฟ้าครัวเรือน
159,627
11
100,000D_ของใช้จำเป็นสำหรับผู้หญิง
159,564
12
100,000D_ขายของเล่นเด็ก
158,766
13
E&L INTERNATIONAL CO., LTD.
69,309
14
T.N. METAL WORKS Co., Ltd.
64,035
15
ฟิลิปส์อิเล็กทรอนิกส์ (ประเทศไทย) จำกัด
52,117
16
บ.ไทนามิคส์ จำกัด
44,837
17
Industrial Provision co., ltd
40,952
18
ลาดกระบัง ทูลส์ แอนด์ ดาย จำกัด
39,641
19
Infinity Engineering System Co.,Ltd
37,577
20
สยาม เอลมาเทค (siam elmatech)
35,872
21
ไทยเทคนิค อีเล็คตริค จำกัด
34,756
22
ฟอร์จูน เมคคานิค แอนด์ ซัพพลาย
33,082
23
เอเชียเทค พาวเวอร์คอนโทรล จำกัด
32,535
24
บริษัท เวิลด์ ไฮดรอลิคส์ จำกัด
32,361
25
โปรไดร์ฟ ซิสเต็ม จำกัด
28,748
26
ซี.เค.แอล.โพลีเทค เอ็นจิเนียริ่ง
27,757
27
P.D.S. Automation co.,ltd
24,155
28
AVERA CO., LTD.
23,844
29
เลิศบุศย์
22,837
30
ห้างหุ้นส่วนสามัญ เอ-รีไซเคิล กรุ๊ป
21,620
31
เทคนิคอล พรีซิชั่น แมชชีนนิ่ง
21,534
32
Electronics Source Co.,Ltd.
21,277
33
แมชชีนเทค
21,102
34
มากิโน (ประเทศไทย)
20,407
35
อีดีเอ อินเตอร์เนชั่นเนล จำกัด
20,288
36
ทรอนิคส์เซิร์ฟ จำกัด
20,119
37
Pro-face South-East Asia Pacific Co., Ltd.
19,726
38
SAMWHA THAILAND
19,657
39
วอยก้า จำกัด
19,452
40
CHEMTEC AUTOMATION CO.,LTD.
18,861
41
IWASHITA INSTRUMENTS (THAILAND) LTD.
18,643
42
I-Mechanics Co.,Ltd.
18,574
43
เอส.เอส.บี สยาม จำกัด
18,547
44
ดีไซน์ โธร แมนูแฟคเจอริ่ง
18,489
45
ศรีทองเนมเพลท จำกัด
18,383
46
Intelligent Mechantronics System (Thailand)
18,360
47
Systems integrator
17,931
48
เอ็นเทค แอสโซซิเอท จำกัด
17,899
49
Advanced Technology Equipment
17,722
50
ดาต้า เอ็นทรี่ กรุ๊ป จำกัด
17,684
»
Article
»
Motor Control & Drives
»
Motor Starter
19/10/2565 07:07 น. , อ่าน 4,798 ครั้ง
DC "braking" or "DC injection
โดย : Admin
สุชิน เสือช้อย
การเบรคมอเตอร์ด้วย DC injection
การหยุดอินดัคชั่นมอเตอร์ ที่ควบคุมด้วยแมคเนนิกคอนแทตเตอร์ โดยทั่วๆไปที่ใช้ในอุตสาหกรรม ถ้าหากไม่มีระบบเบรค หรือส่วนที่ช่วยให้ทำให้เบรก มอเตอร์ก็จะหยุดเองด้วยแรงเฉี่อย ส่วนระยะเวลาในการหยุดจะนานเท่าไหร่ก็จะขึ้นอยู่กับ แรงเฉื่อยของโหลดหรือเรียกว่า load inertia ซึ่งกรณีของมอเตอร์ที่มีขนาดใหญ่หรือแรงเฉื่อยมาก ก็จะทำการหยุดได้ช้าลง
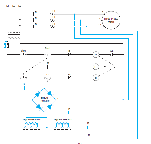
dynamic braking using a dc injection ใช้วงจรบริดจ์เรคติไฟแบบ 3 เฟส เป็นตัวสร้างไฟฟ้กระแสตรง หรือ ไฟดีซี
สำหรับงานบางประเภทที่ต้องการหยุดอย่างรวดเร็วหลังจากที่ทำการตัดกระแสไฟฟ้าออกจากมอเตอร์ เช่นสายพานลำเลียงในสายการผลิต หรือ อุปกรณ์ประเภท รอกและเครน การจะทำให้มอเตอร์หยุดอย่างรวดเร็วนั้น โดยทั่วไปก็ต้องอาศัยการเบรคเข้ามาช่วย
กรณีของเบรคโดยทั่วไปก็จะมีหลายแบบด้วยกัน เช่นระบบเบรคทางกลที่ใช้ความฝืดหรือแรงเสียดทาน (friction brake ) เบรคทีผสมผสานระหว่างระบบไฟฟ้ากับทางกล และเบรคทางไฟฟ้า
การใช้เบรคทางกล หรือ friction brake โดยทั่วไปก็ต้องทำการติดตั้งติดกับตัวมอเตอร์ และใช้พื้นที่ในการติดตั้ง ส่วนการเบรคด้วยระบบไฟฟ้าซึ่งเรียกว่า ดีซี เบรค (dc brake) หรือ dc dynamis brake จะเป็นวิธีที่อาศัยการทำงานโดยการฉีดกระแสไฟฟ้าดีซี DC injection เข้าไปในขดลวดเพื่อสร้าางสนามแม่เหล็ก ดังนั้นอุปกรณ์ที่เป็นองค์ประกอบหลักคือ อุปกรณ์ที่ทำหน้าที่จ่ายไฟฟ้ากระแสตรง หรือ ไฟดีซี
การเบรคด้วย "ดีซี เบรค" วิธีนี้จะทำได้ง่ายกว่าเบรคทางกลที่ใช้ระบบ friction brake .....เพราะวิธีการติดตั้งทำได้ง่ายและใช้พื้นที่ในการติดตั้งเพียงเล็กน้อยในตู้คอนโทรล หรือในจุดอื่นๆที่สะดวกโดยไม่จำเป็นต้องติดตั้งที่ตัวมอเตอร์ ... ดังนั้นจึงถือเป็นอะไรที่ง่ายและสะดวก ดังนั้นเป็นวิธีที่ได้รับความนิยมอีกวิธีหนึ่งในการควบคุมมอเตอร์ทั่วๆไปในอุตสาหกรรม
ส่วนพื้นฐานการทำงานของระบบเบรค และ วงจรเบรค โดยทั่วๆไป ก็จะมีลักษณะดังรูปตัวอย่าง ... กล่าวคือแรงดันดีซี หรือไฟดีซี จะถูกจ่ายเข้าไปที่ขดลวดของมอเตอร์ หลังจากที่ขดลวดของมอเตอร์ถูกตัดกระแสไฟฟ้าออกจากระบบแล้ว
แรงดันไฟฟ้ากระแสตรง หรือไฟดีซี จะเข้าไปสร้างสนามแม่ หรือ ไปทำให้ขดลวดมอเตอร์กลายเป็นแม่เหล็กไฟฟ้า (สนามแม่เหล็กจะอยู่กับที่ และไม่มีการหมุนเหมือนถูกป้อนด้วยไฟ 3 เฟส) เพื่อต้านกับสนามแม่เหล็กที่เกิดจากการเหนี่ยวนำที่ตัวโรเตอร์ ซึ่งจะทำให้โรเตอร์หยุดหมุนเร็วขึ้น
ตัวอย่าง วงจรควบคุมมอเตอร์ที่ประกอบด้วยวงจรเรียงกระแสแบบ 1 เฟส หรือวงจรบริดจ์เรคติไฟ แบบ 1 เฟส เป็นวงจรแปลงไฟฟ้ากระแสสลับให้ไฟฟ้ากระแสตรง เพื่อใช้ช่วยเบรคมอเตอร์ หลังจากที่แมคเนติก คอนแทคเตอร์ตัดไฟออกจากขดลวดของมอเตอร์
แรงดันไฟฟ้ากระแสตรงที่จ่ายให้ขดลวดขณะทำการเบรค
สำหรับแรงดันไฟฟ้ากระแสตรงที่จะต้องจ่ายให้กับมอเตอร์ขณะทำการเบรคนั้น ก็จะขึ้นอยู่กับความต้านทานของขดลวดมอเตอร์ ถ้าต้องการให้กระแสของดีซี มีค่าอยู่ในช่วงเท่ากับกระแสไฟที่พิกัดของมอเตอร์ ซึ่งมีค่า ประมาณ 400% ของกระแสมอเตอร์ที่กำหนด แรงบิดในการเบรกที่จะเป็นได้ก็จะมีลักษณะดังเส้นโค้งของกราฟดังรูป
*** บางบทความ อธิบายเรื่องการใช้กระแสเพื่อทำการเบรคไว้ดังนี้
การเลือกกระแสดีซี เพื่อช่วยในการเบรค ให้ใช้ magnetizing current หรือกระแสที่ใช้ในการกระตุ้นหรือกระแสขณะไม่มีโหลด (no load) ของมอเตอร์ตัวนั้นๆอ้างอิง ซึ่งโดยทั่วไป magnetizing current จะมีค่าอยู่ในช่วง 25 % +/- ของกระพิกัดของมอเตอร์ตัวนั้นๆ จากนั้นก็นำมายกกำลังสองและคูณด้วย 10 เท่า ก็จะได้แสดีซีที่จะต้องฉีดหรือ inject เข้าไปในขดลวดเพื่อทำการเบรค....
ยกตัวอย่างเช่นมอเตอร์ตัวแรกขนาด 2.2 KW. ควบคุมการทำงานด้วยวงจรไดเร็คออนไลน์ หรือ DOL กระแสพิกัด 5 แอมป์ ซึ่งผู้ผลิตก็แนะนำให้ใช้กระแสไฟดีซีในการเบรคสูงสุดคือ 20 แอมป์
การคำนวน => (5 x 0.25 ) = 12.5 แอมป์ ขึ้นไป และสูงสุดคือ 20 แอมป์
ตัวอย่าง DC injection brake module
========================================================
TBAT คืออะไร ?
Congratulations
สอบ ACT
Happy Birthday
สอบ IELTS มีกี่แบบ?
================= ยูทุปของ 9engineer ,com ===================
คลิปที่น่าสนใจจัดทำโดย 9engineer.com ภายใต้ชื่อช่องTechnology talk Channel
1. วงจรและวิธีการสตาร์ทแบบไดเร็คออนไลน์ DOL
2. วงจรควรคุมการกลับทางหมุน
3. วงจรและวิธีการสตาร์ทแบบสตาร์ เดลต้า Y-D Starter
4. การสตาร์แบบออโตทรานส์ฟอร์เมอร์ Auto transformer starter
5. การต่อขดลวดมอเตอร์ อย่างไรไม่ให้เกิดการใหม้หรือเสียหาย
6. การเช็ตโอเวอร์โหลดรีเลย์
7.การเช็ตโอเวอร์โหลดรีเลย์กับมอเตอร์ที่มีเซอร์วิสแฟคเตอร์
8.รีเลย์กับคนแทคเตอร์ต่างกันอย่างไร
9.อื่นๆ
**** นายเอ็นจิเนียร์ขอสงวนสิทธิ์รับรองความถูกต้อง โปรดใช้วิจารณญาณในการรับข่าวสารข้อมูล
ความคิดเห็น
13 December 2025
:: MEMBER LOGIN
E-mail Account
Password
ลงทะเบียนใหม่
|
ลืมรหัสผ่าน?
:: OUR SPONSORS