
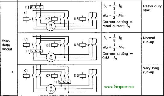
การติดตั้งโอเวอร์โหลดรีเลย์ในวงจรกำลังของสตาร์ทมอเตอร์แบบสตาร์- เดลต้า
จะติดตั้งได้สามตำแหน่งซึ่งขึ้นอยู่กับประเภทของการใช้งานดังรูป
การเซ็ตหรือการปรับตั้งกระแสที่โอเวอร์จึงต้องพิจารณาว่าโอเวอร์โหลด ณ ตำแหน่งใด (วัดกระไลน์ หรือ กระแสเฟส )
และควรปรับตั้งให้ถูกต้อง มิฉนั้นจะทำให้โอเวอร์โหลดไม่ตัดขณะกระแสเกิน หรือ อาจทำให้โอเวอร์โหลดทริปเร็วก่อนถึงค่าที่ตั่งไว้ได้
ลิงค์ช่องยูทุปของ 9engineer.com => คลิก=> technology talk
ขอกำลังใจจากเพื่อนๆสมาชิกช่วยสนับสนุนด้วยการกดซับสไคร์ กดกระดิ่งติดตาม กดไลค์และกดแชร์ด้วยครับ
นายเอ็นจิเนียร์ขอสงวนสิทธิ์รับรองความถูกต้อง โปรดใช้วิจารณญาณในการรับข่าวสารข้อมูล