Top 50 Popular Supplier
1 100,000D_อินเวอร์เตอร์ 178,015
2 100,000D_มิเตอร์วัดไฟฟ้า 175,150
3 100,000D_อุปกรณ์ไฟฟ้าและอิเลคทรอนิกส์ 174,492
4 100,000D_เครื่องมือช่าง 174,379
5 100,000D_เอซีมอเตอร์ 171,776
6 100,000D_ดีซีมอเตอร์ 170,888
7 100,000D_อุปกรณ์แคมป์ปิ้ง 169,785
8 100,000D_เครื่องดื่มและสมุนไพร 169,186
9 เคอีบี (KEB ) ประเทศไทย 162,891
10 100,000D_เครื่องใช้ไฟฟ้าครัวเรือน 159,628
11 100,000D_ของใช้จำเป็นสำหรับผู้หญิง 159,565
12 100,000D_ขายของเล่นเด็ก 158,767
13 E&L INTERNATIONAL CO., LTD. 69,310
14 T.N. METAL WORKS Co., Ltd. 64,036
15 ฟิลิปส์อิเล็กทรอนิกส์ (ประเทศไทย) จำกัด 52,118
16 บ.ไทนามิคส์ จำกัด 44,838
17 Industrial Provision co., ltd 40,953
18 ลาดกระบัง ทูลส์ แอนด์ ดาย จำกัด 39,642
19 Infinity Engineering System Co.,Ltd 37,578
20 สยาม เอลมาเทค (siam elmatech) 35,873
21 ไทยเทคนิค อีเล็คตริค จำกัด 34,757
22 ฟอร์จูน เมคคานิค แอนด์ ซัพพลาย 33,083
23 เอเชียเทค พาวเวอร์คอนโทรล จำกัด 32,536
24 บริษัท เวิลด์ ไฮดรอลิคส์ จำกัด 32,362
25 โปรไดร์ฟ ซิสเต็ม จำกัด 28,749
26 ซี.เค.แอล.โพลีเทค เอ็นจิเนียริ่ง 27,758
27 P.D.S. Automation co.,ltd 24,156
28 AVERA CO., LTD. 23,845
29 เลิศบุศย์ 22,838
30 ห้างหุ้นส่วนสามัญ เอ-รีไซเคิล กรุ๊ป 21,621
31 เทคนิคอล พรีซิชั่น แมชชีนนิ่ง 21,535
32 Electronics Source Co.,Ltd. 21,278
33 แมชชีนเทค 21,103
34 มากิโน (ประเทศไทย) 20,408
35 อีดีเอ อินเตอร์เนชั่นเนล จำกัด 20,289
36 ทรอนิคส์เซิร์ฟ จำกัด 20,120
37 Pro-face South-East Asia Pacific Co., Ltd. 19,728
38 SAMWHA THAILAND 19,659
39 วอยก้า จำกัด 19,454
40 CHEMTEC AUTOMATION CO.,LTD. 18,863
41 IWASHITA INSTRUMENTS (THAILAND) LTD. 18,644
42 I-Mechanics Co.,Ltd. 18,575
43 เอส.เอส.บี สยาม จำกัด 18,548
44 ดีไซน์ โธร แมนูแฟคเจอริ่ง 18,490
45 ศรีทองเนมเพลท จำกัด 18,385
46 Intelligent Mechantronics System (Thailand) 18,362
47 Systems integrator 17,932
48 เอ็นเทค แอสโซซิเอท จำกัด 17,900
49 Advanced Technology Equipment 17,724
50 ดาต้า เอ็นทรี่ กรุ๊ป จำกัด 17,685
28/06/2555 13:30 น. , อ่าน 48,318 ครั้ง
Bookmark and Share
คำนวณกระแสสตาร์ท
วิศวะใหม่
28/06/2555
13:30 น.

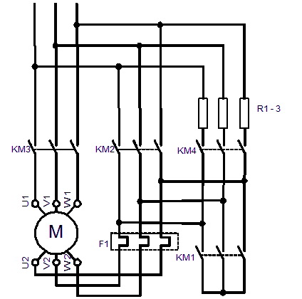
ไม่รู้ว่าเราสามารถคำนวณหรือหาค่ากระแส ขณะสตาร์ท ด้วยสตาร์-เดลต้าได้หรือเปล่าครับ ใครพอทราบบ้าง
ความคิดเห็นทั้งหมด 12 รายการ |
ความคิดเห็นที่ 1
acilis
28/06/2555
15:23 น.
มีบทความมากมายใน 9engineer เราควรให้เครติดกับผู้เขียนบทความ ซึ่งผมมองว่าเป็นเรื่องด้านคุณธรรม จริยธรรมและจรรยาบรรณ เช่นเรื่องที่คุณถามมา รบกวนเข้าไปดูในเวปนี้นะครับ
www.tinamics.com/download/tinamics_com/star-delta.pdf
ส่วนตัว ถ้าเราใช้ PLC ควบคุมการออกตัวแบบสตาร์-เดลต้า การใช้เวลา3-5วินาทีในการเปลี่ยนสภาวะจากสตาร์ไปสู่เดลต้า แมกเนติคจะทำงานไม่ทันและแรงดันไลน์ทูไลน์จะชนกันพอดิบพอดี ต้องเปลี่ยนชุดเพาเวอร์นะครับ อันนี้เป็นข้อสังเกต
ความคิดเห็นที่ 2
วิศวะใหม่
29/06/2555
08:37 น.

ขอบคุณครับ คุณ อคิลิส พอดีโหลดไปอ่านแล้ว ไม่รู้เข้าใจถูกหรือเปล่าว่า สมมุติว่าถ้ามอเตอร์เดิมสตาร์ทด้วยเดลต้าแบบต่อตรงกินกระแส 100 แอมป์ แล้วไปใช้สตาร์ทด้วยสตาร์-เดลต้า ตอนสตาร์ทสตาร์ มอเตอร์จะกินกระแส 100/1.732=57.7 A.

ปัญหาจะอยู่ตรงที่ถ้าเราไม่มีค่ากระแสสตาร์ทตอนที่ต่อตรงเป็นเดลต้า เราจะพอคำนวณได้ไหมครับ
ความคิดเห็นที่ 3
acilis
29/06/2555
15:00 น.
Ok. เพื่อนสมาชิกมาคุยกันดีกว่า
1.กรณี การสตาร์ทตรง จะกินกระแส 5-7 เท่า หรือ 6-8 เท่า แล้วแต่ว่าตำรามาจากสำนักไหน
2.ดูข้อมูลจาก www.tinamics.com/download/tinamics_com/star-delta.pdf แล้วนะครับ
หน้าที่ 2 ซ้ายมือด้านล่างดูที่กราฟอันแรกนะ การสวิทช์จากสตาร์ ไปเป็นเดลต้า กระแส ณ.วินาที 0 คือกระแสทรานเซี้ยน บางตำราเขียนว่า switching transient ถ้าอยู่ในช่วงเวลาเหมาะสมกระแสจะอยู่ที่ ประมาณ 2 เท่าของกระแสฟูลโหลด ถ้าต่อในช่วงเวลาที่ไม่เหมาะสม(เร็วไป)กระแสจะอยู่ประมาณ 3 เท่าของกระแสฟูลโหลด
วิธีการคำนวณ ถ้าไม่ใช้โปรแกรมสำเร็จรูป ต้องทำวงจรสมมูลของมอเตอร์ออกมาก่อน คำนวณค่า R และ XL เพื่อจะนำมาใช้ในวงจร RL TRANSIENT จากนั้นนำมาเข้าสูตร ตรงแหล่งจ่ายจะเป็น Vm sin omega (t)
คิดว่าประเด็นจะถามกระแสตรงจุดที่เปลี่ยนจากสตาร์ไปเป็นเดลต้า ใช่หรือเปล่า จากคำถามของคุณ ปัญหาจะอยู่ตรงที่ถ้าเราไม่มีค่ากระแสสตาร์ทตอนที่ต่อตรงเป็นเดลต้า เราจะพอคำนวณได้ไหมครับ
ถ้าเราจะไปสอบหรือติวให้รุ่นน้อง ข้อสอบเรื่องทรานเซี้ยนจะไม่ออกตรงนี้ นะครับ กรณีเราทำงานดูกราฟง่ายสุดแล้วครับไม่ต้องคำนวณมาก ขอบคุณครับ
ความคิดเห็นที่ 4
Mathician
30/06/2555
04:11 น.
ถ้าเป็นมอเตอร์เล็กละครับจำเป็นไหมครับ
ผมคิดว่าถ้า P น้อย ไม่จำเป็นต้องวิ่ง ดาว-สามเหลี่ยม ซ่ะอีก
ความคิดเห็นที่ 5
acilis
30/06/2555
09:44 น.
ครับ เจ้า ดาว-สามเหลี่ยมนี่นะ เป็นเพียงวิธีการหนึ่งในการสตาร์ทมอเตอร์ ยังมีอีกหลากหลายวิธี
ขึ้นอยู่กับโหลด มอเตอร์ขนาด P น้อยอย่างที่นายช่างว่านะ น้อยกว่าสัก 5 แรงม้าลงมา สตาร์ทตรงก็ได้ สตาร์ทแบบ ดาว-สามเหลี่ยม พิกัดเท่าไร ใครกำหนด บอกไม่ได้ครับ เพราะหน้างานไม่เหมือนกัน การที่มอเตอร์จะเริ่มเดินแบบใด มันแปรผันตรงกับแรงบิด หรือที่เราบอกเป็นนัยๆว่า การออกตัวนั่นแหละครับ งานบางงาน มอเตอร์ 125 แรงม้า ยังสตาร์ทตรงเลย เพราะว่าเขายอมรับการสูญเสียพลังงานไฟฟ้า แต่เขาได้ผลผลิตที่คุ้มค่า เวลามีเรื่องอนุรักษ์พลังงานเข้ามาเขาก็ปรับเปลี่ยน ไปใช้ AUTO TRANSFORMER START บ้าง อินเวอร์เตอร์บ้าง
ความคิดเห็นที่ 6
ช่างซ่อมมอเตอร์
30/06/2555
11:39 น.

ขอให้ความเห็นอย่างนี้ครับ

จากการพิจารณาตารางแสดงคุณสมบัติการสตาร์ทด้วยวิธีต่างๆ สตาร์-เดลต้า , รีแอคเตอร์สตาร์ท , ออโต้ทรานส์ฟอร์เมอร์ จากสื่อๆต่าง จะได้ข้อสรุปว่า กระแสสตาร์ทในสภาวะลดแรงดันจะเป็นสัดส่วนกับกระแสสตาร์ทในขณะจ่ายแรงดันเต็มพิกัด เช่นถ้ามอเตอร์มีกระแสสตาร์ทเต็มพิกัด 6 เท่าของกระแสเนมเพลท เมื่อเราจ่ายแรงดันขณะสตาร์ทลดลงไปครี่งหนี่ง กระแสสตา์ร์ทก็จะลดลงไปครึ่งหนึ่งด้วย ก็คือจะเหลือ 3 เท่าของกระแสพืกัด ซึ่งต้องระวังว่าการเปลี่ยนแปลงแรงดันกระทำที่แรงดันเฟส หรือแรงดันไลน์ และเรากำลังพิจารณากระแสเฟส หรือกระแสไลน์

ในบทความที่อ้างถึงในคำตอบที่ 2 ข้างต้นก็บอกว่าการสตาร์ท สตาร์ กระแสเฟส จะลดลงไป เท่ากับ กระแสเดิมกระเดิม / 1.732 (ต้องเป็นกระแสเฟส ) แต่สิ่งที่ต้องพิจารณาคือ กระแสเนมเพลทเป็นกระแสไลน์ ฉะนั้น กระแสที่นำมาใช้ต้องเป็น กระแสที่เนมเพลท หารด้วย 1.732

สมมุติว่า มอเตอร์ตัวหนึ่งมีกระแสเนมเพลท อยู่ที่ 100 แอมป์ และมีการต่อเป็นเดลต้า 380 โวลท์ เมื่อไปดูแคตตาล๊อกของของมอเตอร์ตัวนี้ ได้ค่า Is/In 6 แสดงว่ามอเตอร์ตัวนี้ขณะสตาร์ทด้วยแรงดัน 380 โวลท์กระแสสตาร์ท (ไม่ใช่กระแสทรานซ์เชี่ยน )เท่ากับ 100 x 6 = 600 A.
ฉะนั้นมอเตอร์ตัวนี้ขณะสตาร์ท ที่แรงดันพิกัด มอเตอร์จะมีกระแสเฟส = 600/1.732= 346.4 A.
แต่เมื่อเรานำมาสตาร์ทด้วยวิธี สตาร์-เดลต้า แรงดันขณะสตาร์ทจะมีค่าแรงดันตกคร่อมเฟสลดลงจาก 380 เป็น 220 ซึ่งมีค่าเท่ากับ 1.732
ฉะนั้นผลของการลดแรงดันจะทำให้กระแสลดลงไปด้วย = 346.4/1.732 = 200 A.
แต่เนื่องจาก ในการต่อวงจรขดลวดเป็นสตาร์ กระแสเฟส = กระแสไลน์ ก็จะทำให้มอเตอร์ดึงกระแสไลน์ = 200 A. หรือประมาณ 2 เท่าของกระแสที่เนมเพลท

ไม่แน่ใจคำตอบของผมจะตรงคำถามเรื่องการคำนวณที่พูดถึงหรือเปล่า
ความคิดเห็นที่ 7
acilis
30/06/2555
15:38 น.
1.วงจรเดลต้า VL = Vph . IL = 1.732*Iph
2.วงจรสตาร์ VL = 1.732*Vph . IL = Iph
1.กรณีสตาร์ทตรง ต่อเดลต้า 380 โวลต์ 100 A จาก IL = 1.732*Iph และ VL = Vph = 380 v สตาร์ทตรงที่เดลต้ากระแส6เท่า = 600A
2.กรณีต่อสตาร์-เดลต้า จังหวะสตาร์ แรงดันตกคร่อมเฟสเท่ากับ 220 โวลต์ จาก VL=1.732*Vph ส่วนกระแสก็ตามความเห็นด้านบนที่คำนวณมา ลักษณะนี้คือกระแสปกติธรรมดาทั่วๆไป
จากบทความ www.tinamics.com/download/tinamics_com/star-delta.pdf หน้าที่3 และหน้าที่4 กรณีศึกษามอเตอร์ไหม้ เนื่องมาจากกระแสทรานเซี้ยนส์ ซึ่งมีวิธีการลดกระแสทรานเซี้ยนส์ลง โดยการต่อ R เข้าในวงจร ในจังหวะที่เปลี่ยนสภาวะจากสตาร์สู่เดลต้า ในการคำนวณจึงต้องใช้วงจรทรานเซี้ยนส์เข้าร่วม แต่บทความนี้ดีมีกราฟสำเร็จรูปมาแล้ว เพียงแต่อ่านค่าจากกราฟก็เพียงพอ
ความคิดเห็นที่ 8
acilis
30/06/2555
15:43 น.
จากคำถาม ของ จขกท.ปัญหาจะอยู่ตรงที่ถ้าเราไม่มีค่ากระแสสตาร์ทตอนที่ต่อตรงเป็นเดลต้า เราจะพอคำนวณได้ไหมครับ? ผมดีความหมายเป็น 2 ประเด็น ประเด็นแรกตามที่ช่างซ่อมมอเตอร์ตอบนั้นถูกต้องแล้วครับ
ประเด็นที่2 คือ ผมเข้าใจว่าจะถามตรงนี้ (ผมคงตีความผิดไป ) คือกระแสในช่วงที่เปลี่ยนไปเป็นเดลต้า ไม่เป็นไร เก็บไว้ก็ไม่เปล่าประโยชน์ครับ มาดูกระแสจากกราฟครับ
ความคิดเห็นที่ 9
acilis
30/06/2555
15:45 น.
เหมือนในบทความหน้า4 วิธีการแก้กระแสทรานเซี้ยนส์
ความคิดเห็นที่ 10
วิศวะใหม่
01/07/2555
08:04 น.

ขอขอบคุณสำหรับทุกๆคำตอบครับ และต้องขอโทษที่เขียนคำถามไม่ชัดเจน ใจจริงก็อยากจะถามแค่เรื่องของกระแสที่วัดได้ขณะสตาร์ท แต่มีพี่อคิลิส ที่ขยายความไปจนถึงขณะเปลี่ยน จากสตาร์ เป็นเดลต้า ทำให้ได้รับข้อมูลครบถ้วนดีครับ

และต้องขอขอบคุณช่างซ่อมมอเตอร์ และคุณอคิลิส อีกครั้งในการพยายเขียนอธิบายอย่างชัดเจน โดยเฉพาะคุณ อคิลิส ขยายมุมมองได้เป็นอย่างดี ผมคิดว่าถ้าใครเข้าในบอร์ดนี้แล้ว ไม่เข้ามาอีกก็น่าจะไม่ใช่คนที่อยู่ในวงการอุตสาหกรรมตัวจริง และจะทำให้มีคนเข้ามาในบอร์ดนี้มากขึ้นเรื่อยๆ
ความคิดเห็นที่ 11
วิศวะใหม่
01/07/2555
08:06 น.
ขอขอบคุณสำหรับทุกๆคำตอบครับ และต้องขอโทษที่เขียนคำถามไม่ชัดเจน ใจจริงก็อยากจะถามแค่เรื่องของกระแสที่วัดได้ขณะสตาร์ท แต่มีพี่อคิลิส ที่ขยายความไปจนถึงขณะเปลี่ยน จากสตาร์ เป็นเดลต้า ทำให้ได้รับข้อมูลครบถ้วนดีครับ

และต้องขอขอบคุณช่างซ่อมมอเตอร์ และคุณอคิลิส อีกครั้งในการพยายเขียนอธิบายอย่างชัดเจน โดยเฉพาะคุณ อคิลิส ขยายมุมมองได้เป็นอย่างดี ผมคิดว่าถ้าใครเข้าในบอร์ดนี้แล้ว ไม่เข้ามาอีกก็น่าจะไม่ใช่คนที่อยู่ในวงการอุตสาหกรรมตัวจริง และจะทำให้มีคนเข้ามาในบอร์ดนี้มากขึ้นเรื่อยๆ
ความคิดเห็นที่ 12
Elec_Prew
01/07/2555
11:16 น.
ผมว่าถึงมีวงจรสมมูลของมอเตอร์ก็ไม่น่าจะคำนวณหาได้นะ ต้องรู้แรงบิดโหลด และ moment of inertia ของโหลด กะ มอเตอร์ด้วย ดูกราฟน่าจะดีที่สุด
ความคิดเห็นทั้งหมด 12 รายการ |
แนบรูปประกอบ:
นามสกุล *.jpg , *.gif เท่านั้น
ชื่อผู้ตอบกระทู้:
คำถามเชิงวิศวกรรม(ตอบเป็นตัวเลขเท่านั้น):
2 เซ็นติเมตรมีกี่มิลลิเมตร
ระบุข้อความยืนยันด้านล่าง:
14 December 2025
:: MEMBER LOGIN
E-mail Account
Password
:: OUR SPONSORS
LZD
LZD
LZD
LZD
LZD
LZD
LZD
LZD
LZD
LZD