Top 50 Popular Supplier
1 100,000D_อินเวอร์เตอร์ 178,014
2 100,000D_มิเตอร์วัดไฟฟ้า 175,149
3 100,000D_อุปกรณ์ไฟฟ้าและอิเลคทรอนิกส์ 174,491
4 100,000D_เครื่องมือช่าง 174,378
5 100,000D_เอซีมอเตอร์ 171,775
6 100,000D_ดีซีมอเตอร์ 170,887
7 100,000D_อุปกรณ์แคมป์ปิ้ง 169,784
8 100,000D_เครื่องดื่มและสมุนไพร 169,185
9 เคอีบี (KEB ) ประเทศไทย 162,891
10 100,000D_เครื่องใช้ไฟฟ้าครัวเรือน 159,627
11 100,000D_ของใช้จำเป็นสำหรับผู้หญิง 159,564
12 100,000D_ขายของเล่นเด็ก 158,766
13 E&L INTERNATIONAL CO., LTD. 69,310
14 T.N. METAL WORKS Co., Ltd. 64,035
15 ฟิลิปส์อิเล็กทรอนิกส์ (ประเทศไทย) จำกัด 52,117
16 บ.ไทนามิคส์ จำกัด 44,837
17 Industrial Provision co., ltd 40,952
18 ลาดกระบัง ทูลส์ แอนด์ ดาย จำกัด 39,641
19 Infinity Engineering System Co.,Ltd 37,577
20 สยาม เอลมาเทค (siam elmatech) 35,872
21 ไทยเทคนิค อีเล็คตริค จำกัด 34,756
22 ฟอร์จูน เมคคานิค แอนด์ ซัพพลาย 33,082
23 เอเชียเทค พาวเวอร์คอนโทรล จำกัด 32,535
24 บริษัท เวิลด์ ไฮดรอลิคส์ จำกัด 32,361
25 โปรไดร์ฟ ซิสเต็ม จำกัด 28,748
26 ซี.เค.แอล.โพลีเทค เอ็นจิเนียริ่ง 27,757
27 P.D.S. Automation co.,ltd 24,155
28 AVERA CO., LTD. 23,844
29 เลิศบุศย์ 22,837
30 ห้างหุ้นส่วนสามัญ เอ-รีไซเคิล กรุ๊ป 21,620
31 เทคนิคอล พรีซิชั่น แมชชีนนิ่ง 21,534
32 Electronics Source Co.,Ltd. 21,277
33 แมชชีนเทค 21,102
34 มากิโน (ประเทศไทย) 20,407
35 อีดีเอ อินเตอร์เนชั่นเนล จำกัด 20,288
36 ทรอนิคส์เซิร์ฟ จำกัด 20,119
37 Pro-face South-East Asia Pacific Co., Ltd. 19,727
38 SAMWHA THAILAND 19,658
39 วอยก้า จำกัด 19,453
40 CHEMTEC AUTOMATION CO.,LTD. 18,862
41 IWASHITA INSTRUMENTS (THAILAND) LTD. 18,643
42 I-Mechanics Co.,Ltd. 18,574
43 เอส.เอส.บี สยาม จำกัด 18,547
44 ดีไซน์ โธร แมนูแฟคเจอริ่ง 18,489
45 ศรีทองเนมเพลท จำกัด 18,384
46 Intelligent Mechantronics System (Thailand) 18,361
47 Systems integrator 17,931
48 เอ็นเทค แอสโซซิเอท จำกัด 17,899
49 Advanced Technology Equipment 17,723
50 ดาต้า เอ็นทรี่ กรุ๊ป จำกัด 17,684
ทั้งหมด 10 รายการ |
หมวด : Motor Starter , เขียนโดย : Admin , อ่าน 4,799 ครั้ง , 19/10/2565 07:07 น.
การเบรคมอเตอร์ด้วย DC injection คืออะไร ?
หมวด : Motor Starter , เขียนโดย : Admin , อ่าน 85,403 ครั้ง , 02/09/2563 08:23 น.
Direct Reversing, Reversing After Stop & Jogging
หมวด : Motor Starter , เขียนโดย : Admin , อ่าน 12,915 ครั้ง , 01/05/2563 06:29 น.
การสตาร์ทมอเตอร์ สลิป-ริง
หมวด : Motor Starter , เขียนโดย : Admin , อ่าน 4,626 ครั้ง , 24/04/2563 06:24 น.
การสตาร์ทมอเตอร์ด้วยตัวต้านทาน
หมวด : Motor Starter , เขียนโดย : Admin , อ่าน 4,245 ครั้ง , 24/04/2563 05:40 น.
การสตาร์ทมอเตอร์แบบแยกขด
หมวด : Motor Starter , เขียนโดย : Admin , อ่าน 10,337 ครั้ง , 23/04/2563 07:29 น.
การสตาร์ทมอเตอร์ด้วยหม้อแปลงแบบออโต้
หมวด : Motor Starter , เขียนโดย : Admin , อ่าน 11,004 ครั้ง , 20/04/2563 20:41 น.
ข้อดี และข้อเสียของการสตาร์ทมอเตอร์แบบ DOL และ Star-Delta
หมวด : Motor Starter , เขียนโดย : Admin , อ่าน 34,069 ครั้ง , 20/04/2563 20:18 น.
หลัการและการทำงานของวงจรสตาร์ทมอเตอร์แบบสตาร์ – เดลต้า (Y-∆)
หมวด : Motor Starter , เขียนโดย : Admin , อ่าน 49,613 ครั้ง , 20/04/2563 19:04 น.
หลัการและการทำงานของวงจรสตาร์ทมอเตอร์โดยตรง
หมวด : Motor Starter , เขียนโดย : Admin , อ่าน 28,038 ครั้ง , 20/04/2563 18:17 น.
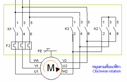
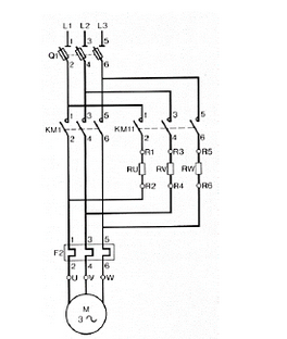
การกลับทางหมุนมอเตอร์ไฟฟ้าเหนี่ยวนำและซิงโครนัสมอเตอร์ 3 เฟส
ทั้งหมด 10 รายการ |
14 December 2025
:: MEMBER LOGIN
E-mail Account
Password
:: OUR SPONSORS
LZD
LZD
LZD
LZD
LZD
LZD
LZD
LZD
LZD
LZD